Schema cablaggio dali ?

Su richiesta di Edda : Schema cablaggio dali membri del sito hanno presentato le immagini seguente. Dopo essere stata sottomessa al voto, ecco la foto acclamata dalla comunità nel 2015, per Schema cablaggio dali :

Questa foto corrisponde al tuo attesa per Schema cablaggio dali? se sì, voti per farla salire nella classifica.

Commenti

I membri hanno proposto anche per Schema cablaggio dali.



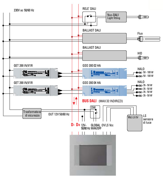
cablaggio dali © www.osram.itSchema cablaggio dali © www.osram.itSchema cablaggio dali © www.osram.it
Schema cablaggio © www.dalcnet.comSchema cablaggio dali © www.gitronica.comSchema cablaggio dali © www.osram.it
Schema cablaggio dali © www.osram.itSchema cablaggio dali © www.osram.itSchema cablaggio dali © www.osram.it
Schema cablaggio dali © www.osram.itSchema cablaggio dali © www.osram.itSchema cablaggio dali © www.osram.it
Schema cablaggio dali © www.theben.it

Attenzione, se vuole ri-utilizzare una delle foto/immagini, in relazione con Schema cablaggio dali, sopra, è necessario di contattare il proprietario prima. Per fare questo, di solito bisogno solo di andare a l'indirizzo dell'immagine sul diritto d'autore.

Materie simili: