Schema cablaggio rs232 ?

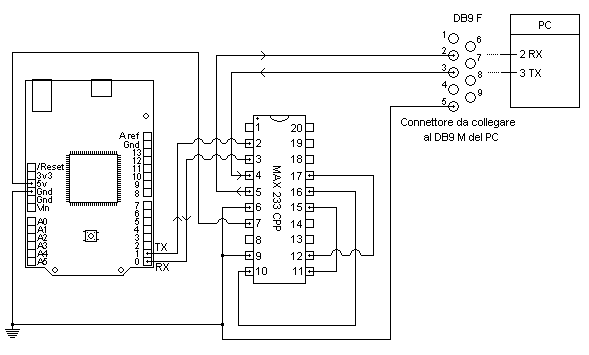
Su richiesta di Ida : Schema cablaggio rs232 membri del sito hanno presentato le immagini seguente. Dopo essere stata sottomessa al voto, ecco la foto acclamata dalla comunità nel 2015, per Schema cablaggio rs232 :

Questa foto corrisponde al tuo attesa per Schema cablaggio rs232? se sì, voti per farla salire nella classifica.

Commenti

I membri hanno proposto anche per Schema cablaggio rs232.



cablaggio rs232 © tuttoelettronica.orgSchema cablaggio rs232 © www.logicaprogrammabile.itSchema cablaggio rs232 © www.febat.com
Schema cablaggio © www.logicaprogrammabile.itSchema cablaggio rs232 © www.gtronic.itSchema cablaggio rs232 © www.guiott.com
Schema cablaggio rs232 © www.devboards.itSchema cablaggio rs232 © www.guiott.comSchema cablaggio rs232 © upload.wikimedia.org
Schema cablaggio rs232 © www.areasx.comSchema cablaggio rs232 © it.emcelettronica.com

Attenzione, se vuole ri-utilizzare una delle foto/immagini, in relazione con Schema cablaggio rs232, sopra, è necessario di contattare il proprietario prima. Per fare questo, di solito bisogno solo di andare a l'indirizzo dell'immagine sul diritto d'autore.

Materie simili: