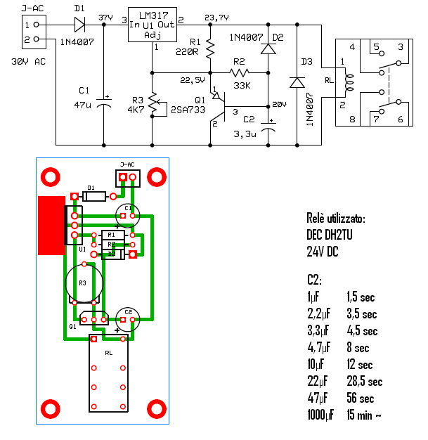
Schema rele ritardato ?

Su richiesta di Annabella : Schema rele ritardato membri del sito hanno presentato le immagini seguente. Dopo essere stata sottomessa al voto, ecco la foto acclamata dalla comunità nel 2015, per Schema rele ritardato :

Questa foto corrisponde al tuo attesa per Schema rele ritardato? se sì, voti per farla salire nella classifica.

Commenti

I membri hanno proposto anche per Schema rele ritardato.



rele ritardato © www.progettazione-impianti-elettrici.itSchema rele ritardato © www.elektro.itSchema rele ritardato © www.professionistidelsuono.net
Schema rele © www.webalice.itSchema rele ritardato © inwaredizioni.files.wordpress.comSchema rele ritardato © www.chirio.com
Schema rele ritardato © cicloinf.dimi.uniud.itSchema rele ritardato © www.webalice.itSchema rele ritardato © www.tecnotre.it

Attenzione, se vuole ri-utilizzare una delle foto/immagini, in relazione con Schema rele ritardato, sopra, è necessario di contattare il proprietario prima. Per fare questo, di solito bisogno solo di andare a l'indirizzo dell'immagine sul diritto d'autore.

Materie simili: