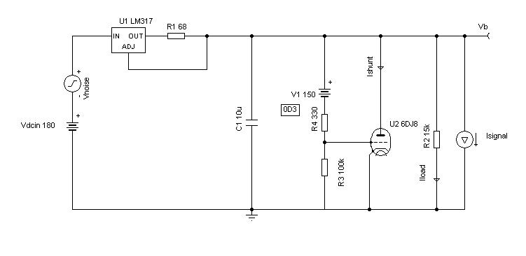
Schema regolatore shunt ?

Su richiesta di Fedra : Schema regolatore shunt membri del sito hanno presentato le immagini seguente. Dopo essere stata sottomessa al voto, ecco la foto acclamata dalla comunità nel 2015, per Schema regolatore shunt :

Questa foto corrisponde al tuo attesa per Schema regolatore shunt? se sì, voti per farla salire nella classifica.

Commenti

I membri hanno proposto anche per Schema regolatore shunt.



regolatore shunt © www.energialternativa.orgSchema regolatore shunt © www.audiofaidate.orgSchema regolatore shunt © virgilio.mib.infn.it
Schema regolatore © www.audiofaidate.orgSchema regolatore shunt © img.photobucket.comSchema regolatore shunt © www.tecnovolt.it
Schema regolatore shunt © up.nexthardware.comSchema regolatore shunt © www.tnt-audio.comSchema regolatore shunt © i73.servimg.com
Schema regolatore shunt © virgilio.mib.infn.it

Attenzione, se vuole ri-utilizzare una delle foto/immagini, in relazione con Schema regolatore shunt, sopra, è necessario di contattare il proprietario prima. Per fare questo, di solito bisogno solo di andare a l'indirizzo dell'immagine sul diritto d'autore.

Materie simili: