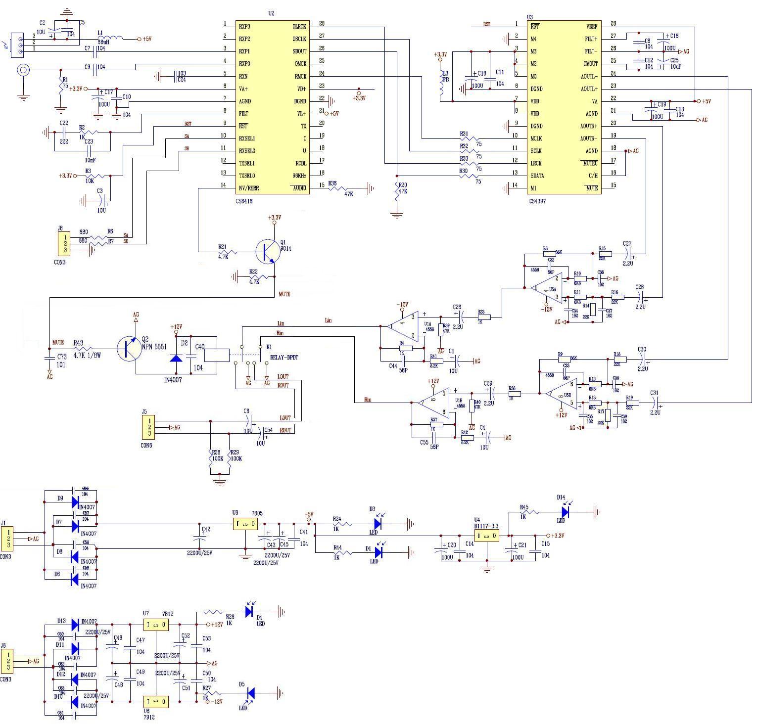
Schema elettrico v dac ?

Su richiesta di Emilio : Schema elettrico v dac membri del sito hanno presentato le immagini seguente. Dopo essere stata sottomessa al voto, ecco la foto acclamata dalla comunità nel 2015, per Schema elettrico v dac :

Questa foto corrisponde al tuo attesa per Schema elettrico v dac? se sì, voti per farla salire nella classifica.

Commenti

I membri hanno proposto anche per Schema elettrico v dac.



elettrico v dac © www.dangella.comSchema elettrico v dac © www.audiocostruzioni.comSchema elettrico v dac © www.angelfire.com
Schema elettrico v © i26.servimg.comSchema elettrico v dac © i62.servimg.comSchema elettrico v dac © www.webalice.it
Schema elettrico v dac © i85.servimg.comSchema elettrico v dac © i25.servimg.comSchema elettrico v dac © 1.bp.blogspot.com
Schema elettrico v dac © utenti.quipo.itSchema elettrico v dac © inwaredizioni.files.wordpress.comSchema elettrico v dac © www.logicaprogrammabile.it
Schema elettrico v dac © www.webalice.it

Attenzione, se vuole ri-utilizzare una delle foto/immagini, in relazione con Schema elettrico v dac, sopra, è necessario di contattare il proprietario prima. Per fare questo, di solito bisogno solo di andare a l'indirizzo dell'immagine sul diritto d'autore.

Materie simili: