Schema elettrico efi euro 1 ?

Su richiesta di Leide : Schema elettrico efi euro 1 membri del sito hanno presentato le immagini seguente. Dopo essere stata sottomessa al voto, ecco la foto acclamata dalla comunità nel 2015, per Schema elettrico efi euro 1 :

Questa foto corrisponde al tuo attesa per Schema elettrico efi euro 1? se sì, voti per farla salire nella classifica.

Commenti

I membri hanno proposto anche per Schema elettrico efi euro 1.



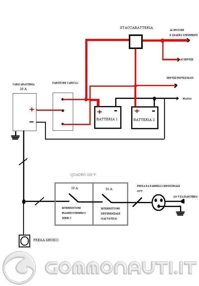
elettrico efi euro 1 © www.rs125.itSchema elettrico efi euro 1 © www.gommonauti.itSchema elettrico efi euro 1 © i38.servimg.com
Schema elettrico efi euro © www.gommonauti.itSchema elettrico efi euro 1 © i52.tinypic.comSchema elettrico efi euro 1 © www.rs125.it
Schema elettrico efi euro 1 © www.gommonauti.itSchema elettrico efi euro 1 © gommoniemotori.comSchema elettrico efi euro 1 © www.jobike.it
Schema elettrico efi euro 1 © www.lasaetta.comSchema elettrico efi euro 1 © i60.tinypic.comSchema elettrico efi euro 1 © www.gommonauti.it

Attenzione, se vuole ri-utilizzare una delle foto/immagini, in relazione con Schema elettrico efi euro 1, sopra, è necessario di contattare il proprietario prima. Per fare questo, di solito bisogno solo di andare a l'indirizzo dell'immagine sul diritto d'autore.

Materie simili: