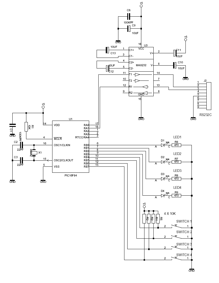
Schema convertitore rs232 usb ?

Su richiesta di Letizia : Schema convertitore rs232 usb membri del sito hanno presentato le immagini seguente. Dopo essere stata sottomessa al voto, ecco la foto acclamata dalla comunità nel 2015, per Schema convertitore rs232 usb :

Questa foto corrisponde al tuo attesa per Schema convertitore rs232 usb? se sì, voti per farla salire nella classifica.

Commenti

I membri hanno proposto anche per Schema convertitore rs232 usb.



convertitore rs232 usb © web.tiscali.itSchema convertitore rs232 usb © dev.emcelettronica.comSchema convertitore rs232 usb © it.emcelettronica.com
Schema convertitore rs232 © www.guiott.comSchema convertitore rs232 usb © dev.emcelettronica.comSchema convertitore rs232 usb © pinouts.ru
Schema convertitore rs232 usb © jwcxz.comSchema convertitore rs232 usb © pinouts.ruSchema convertitore rs232 usb © www.areasx.com
Schema convertitore rs232 usb © www.rs232-to-rs485.comSchema convertitore rs232 usb © www.pccompci.comSchema convertitore rs232 usb © users.ntua.gr
Schema convertitore rs232 usb © tuttoelettronica.orgSchema convertitore rs232 usb © www.a-globaltek.comSchema convertitore rs232 usb © www.rlocman.ru

Attenzione, se vuole ri-utilizzare una delle foto/immagini, in relazione con Schema convertitore rs232 usb, sopra, è necessario di contattare il proprietario prima. Per fare questo, di solito bisogno solo di andare a l'indirizzo dell'immagine sul diritto d'autore.

Materie simili: