Schema convertitore rs232 485 ?

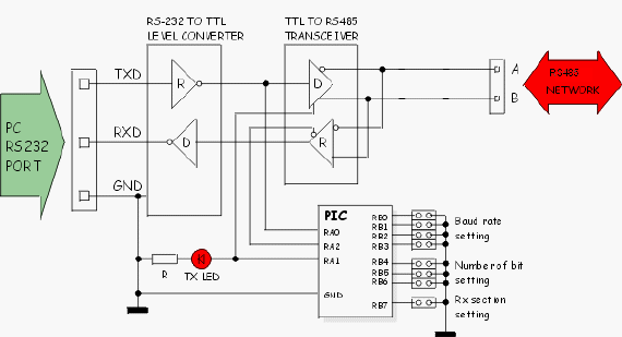
Su richiesta di Ermanno : Schema convertitore rs232 485 membri del sito hanno presentato le immagini seguente. Dopo essere stata sottomessa al voto, ecco la foto acclamata dalla comunità nel 2015, per Schema convertitore rs232 485 :

Questa foto corrisponde al tuo attesa per Schema convertitore rs232 485? se sì, voti per farla salire nella classifica.

Commenti

I membri hanno proposto anche per Schema convertitore rs232 485.



convertitore rs232 485 © it.emcelettronica.comSchema convertitore rs232 485 © www.rs232-to-rs485.comSchema convertitore rs232 485 © it.emcelettronica.com
Schema convertitore rs232 © it.emcelettronica.comSchema convertitore rs232 485 © www.settorezero.comSchema convertitore rs232 485 © www.rlocman.ru
Schema convertitore rs232 485 © www.areasx.comSchema convertitore rs232 485 © image.made-in-china.comSchema convertitore rs232 485 © pinouts.ru
Schema convertitore rs232 485 © www.hqew.netSchema convertitore rs232 485 © it.emcelettronica.comSchema convertitore rs232 485 © www.areasx.com
Schema convertitore rs232 485 © www.kmitl.ac.thSchema convertitore rs232 485 © www.commfront.com

Attenzione, se vuole ri-utilizzare una delle foto/immagini, in relazione con Schema convertitore rs232 485, sopra, è necessario di contattare il proprietario prima. Per fare questo, di solito bisogno solo di andare a l'indirizzo dell'immagine sul diritto d'autore.

Materie simili: